А Лічильник це пристрій, який зберігає (і іноді відображає) кількість разів, коли відбулася певна подія чи процес, часто у зв’язку з сигналом годинника. Лічильники використовуються в цифровій електроніці для підрахунку, вони можуть рахувати конкретні події, що відбуваються в схемі. Наприклад, у лічильнику UP лічильник збільшує кількість для кожного переднього фронту тактової частоти. Не тільки підраховуючи, лічильник може слідувати певній послідовності, заснованій на нашому дизайні, як будь-яка випадкова послідовність 0,1,3,2…. Вони також можуть бути розроблені за допомогою тригерів. Вони використовуються як дільники частоти, де ділиться частота заданої форми імпульсу. Лічильники - це послідовна схема, яка підраховує кількість імпульсів у двійковому коді або у формі BCD. Основними властивостями лічильника є синхронізація, послідовність і підрахунок. Лічильник працює в двох режимах
Лічильник вгору
Вниз лічильник
Контркласифікація
Лічильники загалом поділяються на дві категорії
- Асинхронний лічильник
- Синхронний лічильник
1. Асинхронний лічильник
В асинхронному лічильнику ми не використовуємо універсальний годинник, лише перший тригер управляється основним годинником, а вхід годинника решти наступного тригера керується виходом попередніх тригерів. Ми можемо зрозуміти це, дотримуючись діаграми-

На часовій діаграмі видно, що Q0 змінюється, як тільки виникає наростаючий фронт тактового імпульсу, Q1 змінюється, коли зустрічається наростаючий фронт Q0 (оскільки Q0 схожий на тактовий імпульс для другого тригера) і так далі. Таким чином брижі генеруються через Q0, Q1, Q2, Q3, тому це також називається Лічильник RIPPLE і послідовний лічильник. Лічильник пульсацій — це каскадне розташування тригерів, де вихід одного тригера керує тактовим входом наступного тригера
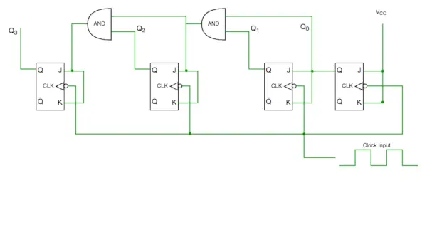
2. Синхронний лічильник
На відміну від асинхронного лічильника, синхронний лічильник має один глобальний годинник, який керує кожним тригером, тому вихідні дані змінюються паралельно. Одна перевага синхронного лічильника перед асинхронним полягає в тому, що він може працювати на вищій частоті, ніж асинхронний лічильник, оскільки він не має сукупної затримки, оскільки однаковий тактовий сигнал дається кожному тригеру. Його також називають паралельним лічильником.

Схема синхронного лічильника

Тимчасова діаграма синхронного лічильника
З принципової схеми ми бачимо, що біт Q0 дає відповідь на кожен спадаючий фронт синхронізації, тоді як Q1 залежить від Q0, Q2 залежить від Q1 і Q0, Q3 залежить від Q2, Q1 і Q0.
Лічильник десятиліть
Лічильник декад рахує десять різних станів, а потім повертається до початкових станів. Простий десятирічний лічильник рахуватиме від 0 до 9, але ми також можемо зробити декадні лічильники, які можуть проходити будь-які десять станів від 0 до 15 (для 4-бітного лічильника).
| Тактовий пульс | Q3 | Q2 | Q1 | Q0 |
| 0 | 0 | 0 | 0 | 0 |
| 1 | 0 | 0 | 0 | 1 |
| 2 | 0 | 0 | 1 | 0 |
| 3 | 0 | 0 | 1 | 1 |
| 4 | 0 | 1 | 0 | 0 |
| 5 | 0 | 1 | 0 | 1 |
| 6 | 0 | 1 | 1 | 0 |
| 7 | 0 | 1 | 1 | 1 |
| 8 | 1 | 0 | 0 | 0 |
| 9 | 1 | 0 | 0 | 1 |
| 10 | 0 | 0 | 0 | 0 |
Таблиця істинності для простого десятирічного лічильника

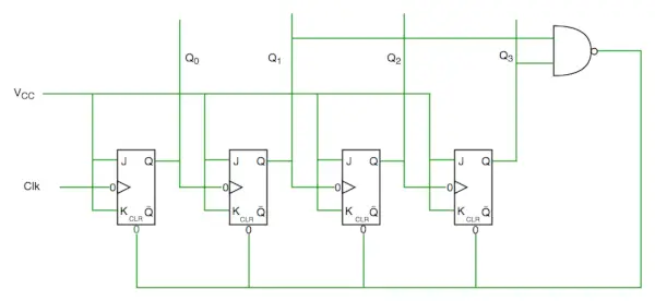
Принципова схема декадного лічильника
З принципової схеми ми бачимо, що ми використали nand gate для Q3 і Q1 і подали це для очищення вхідного рядка, оскільки двійкове представлення 10 є:
1010
І ми бачимо, що Q3 і Q1 тут дорівнюють 1, якщо ми дамо NAND цих двох бітів для очищення вхідних даних, тоді лічильник буде очищено на 10 і знову почнеться з початку.
Важливий момент : кількість тригерів, які використовуються в лічильнику, завжди більше, ніж дорівнює ( журнал2п ), де n=кількість станів у лічильнику.
Деякі запитання попередніх років про лічильники
Q1. Розглянемо часткову реалізацію 2-розрядного лічильника з використанням T тригерів у послідовності 0-2-3-1-0, як показано нижче

Щоб завершити схему, вхід X повинен бути
(A) Q2?
(B) Q2 + Q1
(C) (Q1 ? Q2)'
(D) Q1 ? Q2 (GATE-CS-2004)
рішення:
З схеми ми бачимо
T1=XQ1’+X’Q1—-(1)
І
T2=(Q2 ? Q1)’—-(2)
І БАЖАНИЙ ВИХІД 00->10->11->01->00
ТАК Х МАЄ БУТИ Q1Q2’+Q1’Q2 ЗАДОВОЛЬНІ 1 І 2.
ТОЖ ВІД (D) ЧАСТИНА.
Q2. Нижче наведено функції керуючого сигналу 4-розрядного двійкового лічильника (де X не має значення)
Лічильник підключається наступним чином:

Припустимо, що затримки лічильника та затвора незначні. Якщо лічильник починається з 0, він циклічно проходить таку послідовність:
(А) 0,3,4
(B) 0,3,4,5
(C) 0,1,2,3,4
(D) 0,1,2,3,4,5 (GATE-CS-2007)
рішення:
Спочатку A1 A2 A3 A4 =0000
Clr=A1 і A3
Отже, коли A1 і A3 обидва дорівнюють 1, це знову переходить до 0000
Отже, 0000(початковий) -> 0001(A1 і A3=0)->0010 (A1 і A3=0) -> 0011(A1 і A3=0) -> 0100 ( A1 і A3=1 )[ чітка умова задоволена] ->0000(початковий), тому він проходить через 0->1->2->3->4
Ans - частина (C).
як повернути масив java
Вікторина з цифрової логіки
Статтю надав Анудж Батам,